Môžeme spínať aj dve, tri, či štyri svetielka (alebo čokoľvek iné).
 
A v závere si ukážeme, že si takto môžeme vyrobiť automatické prižhavovanie spaľovacieho motora, alebo diaľkové ovládanie generátora dymu.
 
autor: Janko O.
Dnes si ukážeme, že pomocou elektroniky serva, čoby spínača, môžeme ovládať nie len jedny svetielka, alebo len jedno elektronické zariadenie.
Jedny svetielka, alebo jedno elektronické zariadenie (napríklad stroboskopický blikač pozičných svetiel) sme doteraz spínali tak, že sme ich zapojili namiesto motora (tzv. zapojenie pre nesmelých), alebo sme ich zapojili medzi mínusový vývod serva (0 GND) a jeden prívod k motoru (Výstup1).
Avšak naše zariadenie (alebo svetielka) môžeme zapojiť aj medzi plusový vývod serva (+5V) a ten, už spomínaný vývod k motoru (Výstup1).

Vývody označené ako Výstup1 a Výstup2 sú pôvodné "drôtiky" k motoru.
Vtedy môžeme použiť aj čiastočne poškodenú elektroniku serva, no musí byť funkčná elektronika integrovaného obvodu a tranzistor T2. Ostatné tranzistory môžu byť vadné ("prepálené" - prerušené).
Ale máme predsa k dispozícii ešte druhý vývod k motoru (Výstup2). Naše zariadenie (alebo svetielka) môžeme zapojiť medzi tento Výstup2 a mínusový vývod serva (0 GND):

Opäť môžeme použiť aj čiastočne poškodenú elektroniku serva, musí byť funkčná elektronika integrovaného obvodu a tranzistor T3. Ostatné tranzistory môžu byť vadné ("prepálené" - prerušené) .
Alebo môžeme naše zariadenie zapojiť medzi Výstup2 a plusový vývod serva (+5V):

Opäť môžeme použiť aj čiastočne poškodenú elektroniku serva, musí byť funkčná elektronika integrovaného obvodu a tranzistor T4. Ostatné tranzistory môžu byť vadné.
Keď svetielka zapojíme podľa nasledujúcej schémy,

tak v jednej polohe príslušného prepínača na vysielači svietia diódy LED1 a LED2 (LED3 a LED4 sú zhasnuté) a v druhej polohe diódy LED3 a LED4 (LED1 a LED2 sú zhasnuté). Opäť môžeme použiť aj čiastočne poškodenú elektroniku serva, musí byť funkčná elektronika integrovaného obvodu a tranzistory T1 a T3. Tranzistory T2 a T4 môžu byť vadné.
Ak máme servo, kde je situácia opačná, čiže (musí byť funkčná elektronika integrovaného obvodu – to je jasné) sú dobré tranzistory T2 a T4, ale tranzistory T1 a T3 sú vadné, tak môžeme použiť toto zapojenie:

Ako „špecialitku“ uvedieme zapojenie so štvoricou svetielok:

Je síce pravda, že dvojice diód LED1-LED2 a LED5-LED6 (prípadne (v opačnej polohe príslušného prepínača na vysielači) LED3-LED4 a LED7-LED8) svietia súčasne, avšak každá dvojica využíva iný tranzistor, takže tieto nie sú preťažené.
Doteraz sme predpokladali, že sme náš spínač ovládali „príslušným“ prepínačom na vysielači. Ale môžeme ho ovládať aj inak, napríklad potenciometrom, mixom alebo kniplom. Obzvlášť táto možnosť je zaujímavá, keď v modeli k servu smerovky pripojíme niektorý náš spínač, ovládajúci dvoje svetielok. Napr.:

Vhodným zapojením sa dá dosiahnuť, že pri zatáčaní modelu doľava budú svietiť LEDky na ľavom krídle, pri zatáčaní doprava budú svietiť LEDky na pravom krídle. Je ale fakt, že môže byť problém nastaviť spínač tak, aby pri priamom smere letu nesvietilo nič 
.
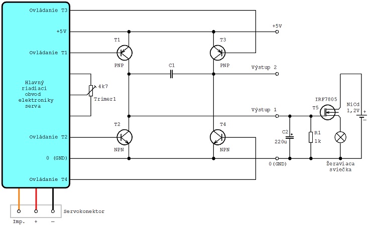
Pre priaznivcov spaľovacích motorov – tzv. žhavíkov, môže byť prínosom použitie nášho spínača na účely „prižhavovania“ pri nízkych otáčkach. Vtedy sa žhavíky vyznačujú nepravideľným chodom, zlými prechodmi do otáčok a nehasnúcou túžbou „zdochnúť“ v tej najnevhodnejšej chvíli. Avšak prižhavovanie (pri nízkych otáčkach) ich dokáže z týchto neduhov celkom úspešne vyliečiť.

Vtedy je odporový delič (alebo odporový trimer), použitý namiesto pôvodného potenciometra, nastavený tak, aby sa spínač (a tým aj prižhavovanie) zapol nie pri šírke vstupného impulzu 1500 mikrosekúnd, ale inej. To znamená, že odpory, použité namiesto pôvodného potenciometra, nemajú rovnakú hodnotu, alebo odporový trimer nie je nastavený do stredu.
Pravdu povediac, riešenie s odporovým trimrom je vhodnejšie, práve kvôli možnosti nastavenia správnej polohy – správneho okamihu začatia prižhavovanie pri znížení otáčok spaľovacieho motora. Vstupný káblik tohto nášho spínača sa vtedy zapája paralelne k servu, ktoré ovláda karburátor („plyn“) spaľovacieho motora. Zapínanie prižhavovania v tomto prípade neovládame žiadnym „príslušným“ prepínačom na vysielači, ale kniplom plynu (plynovou pákou na vysielači). Ten správny „moment“, kedy sa má prižhavovanie aktivovať, nastavíme Trimrom1.
Samozrejme tranzistory v serve nedokážu spínať prúd potrebný pre správnu činnosť žeraviacej sviečky a tak je nutné pridať výkonnejší tranzistor. Môže to byť tranzistor bipolárny, ale oveľa vhodnejší sa nám javí tranzistor unipolárny. Konkrétne zapojenia môžu byť rôzne.
Zapojenie uvedené na predchádzajúcom obrázku na tento účel využíva tranzistor IRF7805Z, ktorý sa v SOS Electronic dá kúpiť asi za jedno Euro. Na rozdiel od iných sa vyznačuje veľmi nízkou hodnotou napätia UGS, pri ktorej je tranzistor naplno zopnutý (asi 3,5V).
Práve túto vlastnosť je možné využiť v prípade zapojenia, keď je nutné, aby bol jeden vývod žeraviacej sviečky („telo“ sviečky) spojený s „kostrou“ modelu (mínus-pólom napájacej batérie). Takéto riešenie je na nasledujúcej schéme:

V obidvoch zapojeniach je na napájanie žeraviacej sviečky použitý jeden NiCd článok (najlepšie Sanyo 1700SCR), ktorý je samozrejme „vozený“ na palube modelu. Vodiče medzi týmto článkom, žeraviacou sviečkou a spínacím tranzistorom musia byť samozrejme dostatočne prúdovo dimenzované. Nejde ani o to, že by sa snáď prehrievali, ale skôr o to, aby na nich nevznikal nejako významný úbytok napätia, keďže napätie NiCd článku je len 1,2 Voltu.
Toto riešenie prináša aj ďalšiu výhodu, že pri štartovaní spaľovacieho motora nie je nutné pripájať tzv. „žhavítko“. Stačí  nastaviť plynovú páku na vysielači, priložiť elektrický štartér a hotovo. Správna frajerina 
.
Náš starší brat Milan (mimochodom tiež modelár) však hovorí, že frajerina to je drina. Preto netreba zabudnúť, že ak motor nebeží, ale je zapnutá palubná elektronika, tak treba dávať páku plynu do takej polohy, kedy prižhavovanie nie je aktivované (napr. do polovice alebo vyššie). Tí, ktorí v tomto prípade nechcú žeravenie ovládať plynovou pákou, môžu na to použiť „príslušný“ prepínač na vysielači.
Najväčší "frajeri" to môžu urobiť aj tak, že si na tento náš spínač prižhavovania/žeravenia vyhradia samostatný kanál. Pomocou mixov si vo vysielači nastavia takú kombináciu, že prižhavovanie bude ovládané pákou plynu, ale zapínanie a vypínanie žeravenia/prižhavovania sa bude navyše ovládať samostatným "príslušným" prepínačom na vysielači.
Ďalšou možnosťou, ako využiť (hoci aj vadnú) elektroniku serva, je diaľkové ovládanie generátora dymu v modeli. Na tento divácky vďačný efekt môžeme použiť nasledujúce zapojenie:

Ak by bol prúd žeraviacou špirálou generátora dymu nad možnosti jedného tranzistora IRF7805, tak je možné zapojiť niekoľko takýchto tranzistorov paralelne. V regulátoroch (ESC) je to bežná prax.
To sa silno podobá prvému zapojeniu na prižhavovanie žeraviacej sviečky v modeli, avšak je použité iné (vyššie) napájacie napätie. Keďže sa dymové efekty dajú realizovať aj v elektro-modeloch, je možné na napájanie žeraviacej špirály generátora dymu použiť aj pohonnú batériu. My sme ako príklad uviedli 3-článkovú LiPol s napätím 11,1V. Ak by žeraviaca špirála vyžadovala nižší prúd (nižšie napätie), je možné tento obmedziť príslušne dimenzovaným rezistorom R2 (môže byť aj zmotaný kus izolovaného drôtu odskúšanej dĺžky).
Možno niektorým napadnú aj iné možnosti, na čo všetko by sa dal spínač, vyrobený z elektroniky serva, použiť. Okrem svetiel, blikačov, prižhavovania a generátora dymu, by to mohli byť rôzne elektro-pneumatické ventily, čerpadielka, navijáky, spínače špeciálnych zariadení, atď. atď.
Súvisiace články:
Spínač (svetiel či niečoho iného) z elektroniky serva – 2.časť
Spínač (svetiel či niečoho iného) z elektroniky serva – 1.časť
Oprava serva - 1.časť - vybehané servo
Oprava serva - 2.časť - spálené servo
180 - stupňové servo: Ako funguje a na čo je?
Aké silné servá dať do modelu?